Kundenlogin
Kundenlogin
E-Mail
Passwort
Toggle Password View
Merkzettel
0
Suche
Alle
Alle
Buggys
Quad, ATV, UTV
Zubehör allgemein
Alle
Alle
Buggys
Quad, ATV, UTV
Zubehör allgemein
Suche...
Ihr Warenkorb
0,00 EUR
Sie haben noch keine Artikel in Ihrem Warenkorb.
JavaScript ist in Ihrem Browser deaktiviert. Aktivieren Sie JavaScript, um alle Funktionen des Shops nutzen und alle Inhalte sehen zu können.
Buggys
Buggys anzeigen
PGO
PGO anzeigen
PGO Bugracer 600i
PGO Bugracer 500i
PGO Bugrider 250
PGO Bugrider 250 S
PGO Bugrider 200
PGO Bugrider 150
PGO Bugrider 50
Adly, Herkules
Adly, Herkules anzeigen
Adly, Herkules ATK 125
Aldy Minicar 320
Shark
Shark anzeigen
Shark BCB 300
Xingyue
Xingyue anzeigen
Xingyue, GSMoon 260-2 Buggy
Xingyue XYKD 150
Kinroad
Kinroad anzeigen
Kinroad KR 650
Kinroad GK 1100
Goka Powersports
Joyner, Sand Viper, Baja Bug 650 - 2000cc
Buggys anzeigen
Quad, ATV, UTV
Quad, ATV, UTV anzeigen
Herkules / Adly
Herkules / Adly anzeigen
Adly ATV Conquest 600 4x4
Adly Quad 450 Supermoto
Adly Hurricane 500 S
Adly Hurricane 500 Supermoto
Hurricane 500 Flat
Adly ATV 320 Hurricane
Adly Quad 300
Adly ATV Canyon 320 SE
Adly ATV 150 Sport
Adly Quad ATV 50 LC Supersonic
Adly ATV 50 VG
Adly ATV 50 Supercross LC
Cectek
Cectek anzeigen
Original Ersatzteile
Segway
Quad, ATV, UTV anzeigen
Zubehör allgemein
Zubehör allgemein anzeigen
Motoren
Motoren anzeigen
GY6 125 - 180cc
250ccm CF172mm/A
250ccm CF172mm/B + C
650cc 2-Zyl- Motor Typ 276
800cc 3-Zyl. Motor Typ 368 / F8A
Auspuffanlagen
Elekrik / Zündung
Bremsen
Bremsen anzeigen
Bremsbeläge, Bremsbacken
Bremszylinder
Beleuchtung
Beleuchtung anzeigen
Ellipsoid - Scheinwerfer, Xenon
Scheinwerfer
Rückleuchten
Blinker
Nebelscheinwerfer
Beleuchtung Sonstiges
LED Arbeitsscheinwerfer
Tacho, Drehzahlmesser, Anzeigen,
Tacho, Drehzahlmesser, Anzeigen, anzeigen
Acewell
Shin Yo
Koso
Werkstattbedarf
Werkstattbedarf anzeigen
Werkzeuge und Hilfsmittel
Kabelbinder
Verschiedenes
Zubehör allgemein anzeigen
Weitere
Startseite
»
Buggys
»
PGO
»
PGO Bugrider 250
»
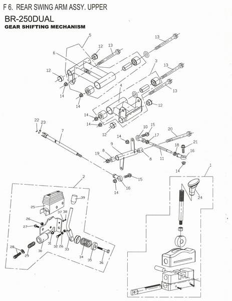
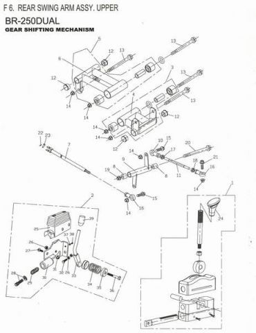
F6 - Schaltung
»
Nr.33 - Schalthebel, Parkbremse, PGO Bugrider
Nr.33 - Schalthebel, Parkbremse, PGO Bugrider
SOLD OUT
Nr.33 - Schalthebel, Parkbremse, PGO Bugrider
Art.Nr.:
B5451060000
Lieferzeit:
12-14 Tage
(Ausland abweichend)
Lagerbestand:
0
Stück
17,90 EUR
inkl. 19% MwSt. zzgl.
Versand
In den Warenkorb
Auf den Merkzettel
Frage zum Produkt
Beschreibung
Beschreibung
Schalthebel, Parkbremse, PGO Bugrider
{{#title}}
{{title}}
{{/title}}
{{{items.src}}}
{{#showButtons}} {{/showButtons}}
{{#content}}
{{.}}
{{/content}}
Modal form field
{{#content}}
{{{.}}}
{{/content}}