Kundenlogin
Kundenlogin
E-Mail
Passwort
Toggle Password View
Merkzettel
0
Suche
Alle
Alle
Buggys
Quad, ATV, UTV
Zubehör allgemein
Alle
Alle
Buggys
Quad, ATV, UTV
Zubehör allgemein
Suche...
Ihr Warenkorb
0,00 EUR
Sie haben noch keine Artikel in Ihrem Warenkorb.
JavaScript ist in Ihrem Browser deaktiviert. Aktivieren Sie JavaScript, um alle Funktionen des Shops nutzen und alle Inhalte sehen zu können.
Buggys
Buggys anzeigen
PGO
PGO anzeigen
PGO Bugracer 600i
PGO Bugracer 500i
PGO Bugrider 250
PGO Bugrider 250 S
PGO Bugrider 200
PGO Bugrider 150
PGO Bugrider 50
Adly, Herkules
Adly, Herkules anzeigen
Adly, Herkules ATK 125
Aldy Minicar 320
Shark
Shark anzeigen
Shark BCB 300
Xingyue
Xingyue anzeigen
Xingyue, GSMoon 260-2 Buggy
Xingyue XYKD 150
Kinroad
Kinroad anzeigen
Kinroad KR 650
Kinroad GK 1100
Goka Powersports
Joyner, Sand Viper, Baja Bug 650 - 2000cc
Buggys anzeigen
Quad, ATV, UTV
Quad, ATV, UTV anzeigen
Herkules / Adly
Herkules / Adly anzeigen
Adly ATV Conquest 600 4x4
Adly Quad 450 Supermoto
Adly Hurricane 500 S
Adly Hurricane 500 Supermoto
Hurricane 500 Flat
Adly ATV 320 Hurricane
Adly Quad 300
Adly ATV Canyon 320 SE
Adly ATV 150 Sport
Adly Quad ATV 50 LC Supersonic
Adly ATV 50 VG
Adly ATV 50 Supercross LC
Cectek
Cectek anzeigen
Original Ersatzteile
Segway
Quad, ATV, UTV anzeigen
Zubehör allgemein
Zubehör allgemein anzeigen
Motoren
Motoren anzeigen
GY6 125 - 180cc
250ccm CF172mm/A
250ccm CF172mm/B + C
650cc 2-Zyl- Motor Typ 276
800cc 3-Zyl. Motor Typ 368 / F8A
Auspuffanlagen
Elekrik / Zündung
Bremsen
Bremsen anzeigen
Bremsbeläge, Bremsbacken
Bremszylinder
Beleuchtung
Beleuchtung anzeigen
Ellipsoid - Scheinwerfer, Xenon
Scheinwerfer
Rückleuchten
Blinker
Nebelscheinwerfer
Beleuchtung Sonstiges
LED Arbeitsscheinwerfer
Tacho, Drehzahlmesser, Anzeigen,
Tacho, Drehzahlmesser, Anzeigen, anzeigen
Acewell
Shin Yo
Koso
Werkstattbedarf
Werkstattbedarf anzeigen
Werkzeuge und Hilfsmittel
Kabelbinder
Verschiedenes
Zubehör allgemein anzeigen
Weitere
Startseite
»
Quad, ATV, UTV
»
Herkules / Adly
»
Adly Hurricane 500 S
»
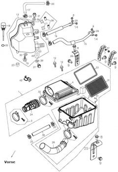
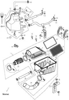
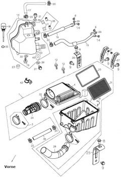
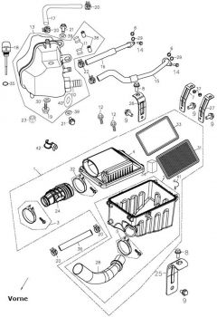
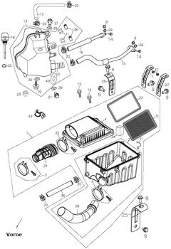
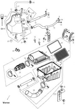
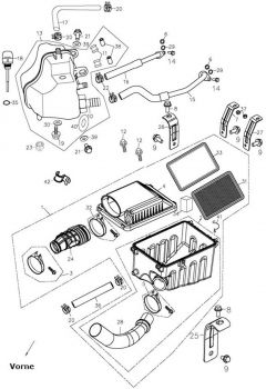
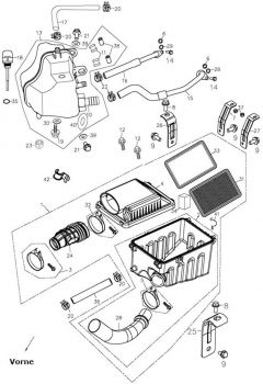
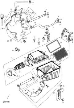
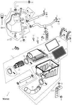
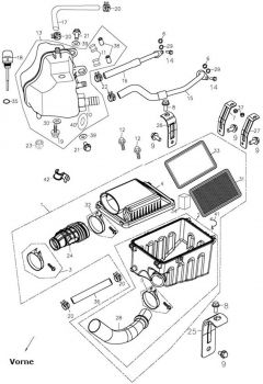
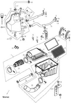
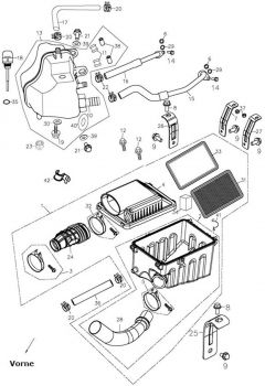
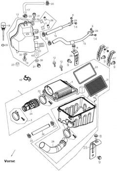
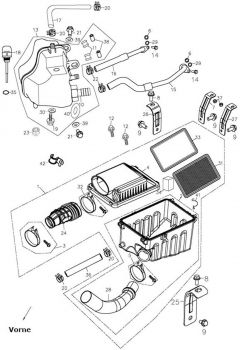
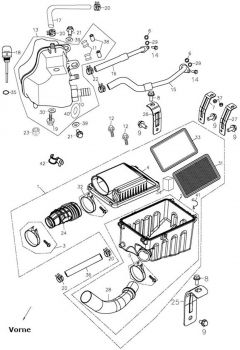
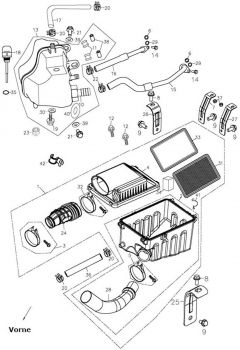
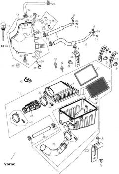
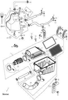
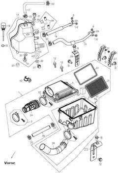
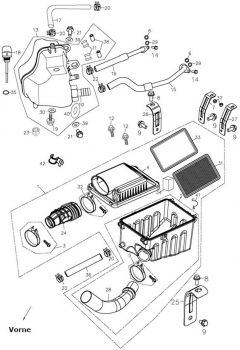
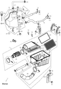
Luftfilter und Öltank
Aktueller Filter
Luftfilter und Öltank
Luftfilter und Öltank, Aldy, Herkules Hurricane 500
FILTER
Sortieren nach
Preis aufsteigend
Preis absteigend
Name aufsteigend
Name absteigend
Einstelldatum aufsteigend
Einstelldatum absteigend
Lieferzeit aufsteigend
Lieferzeit absteigend
Sortieren nach
Sortieren nach
Preis aufsteigend
Preis absteigend
Name aufsteigend
Name absteigend
Einstelldatum aufsteigend
Einstelldatum absteigend
Lieferzeit aufsteigend
Lieferzeit absteigend
100 pro Seite
100 pro Seite
200 pro Seite
300 pro Seite
600 pro Seite
1200 pro Seite
pro Seite
100 pro Seite
200 pro Seite
300 pro Seite
600 pro Seite
1200 pro Seite
1
Adly
SOLD OUT
Nr.1 - Luftfilter, kpl
Luftfilter, kpl
, Luftfilter und Öltank, Aldy, Herkules Hurricane 500
Lieferzeit:
12-14 Tage
(Ausland abweichend)
Lagerbestand: 0 Stück
115,00 EUR
Lieferzeit:
12-14 Tage
inkl. 19% MwSt. zzgl.
Versand
In den Warenkorb
Adly
SOLD OUT
Nr.2 - Luftftiltergehäuse
Luftfilter und Öltank, Aldy, Herkules Hurricane 500
Lieferzeit:
12-14 Tage
(Ausland abweichend)
Lagerbestand: 0 Stück
54,50 EUR
Lieferzeit:
12-14 Tage
inkl. 19% MwSt. zzgl.
Versand
In den Warenkorb
Adly
SOLD OUT
Nr.3 - Klammer
Klammer
, Luftfilter und Öltank, Aldy, Herkules Hurricane 500
Lieferzeit:
12-14 Tage
(Ausland abweichend)
Lagerbestand: 0 Stück
6,65 EUR
Lieferzeit:
12-14 Tage
inkl. 19% MwSt. zzgl.
Versand
In den Warenkorb
Adly
SOLD OUT
Nr.4 - Luftfilterdeckel
Luftfilterdeckel
, Luftfilter und Öltank, Aldy, Herkules Hurricane 500
Lieferzeit:
12-14 Tage
(Ausland abweichend)
Lagerbestand: 0 Stück
21,90 EUR
Lieferzeit:
12-14 Tage
inkl. 19% MwSt. zzgl.
Versand
In den Warenkorb
Adly
SOLD OUT
Nr.5 - Klammer #46
Klammer
#46
, Luftfilter und Öltank, Aldy, Herkules Hurricane 500
Lieferzeit:
12-14 Tage
(Ausland abweichend)
Lagerbestand: 0 Stück
5,29 EUR
Lieferzeit:
12-14 Tage
inkl. 19% MwSt. zzgl.
Versand
In den Warenkorb
Adly
SOLD OUT
Nr.6 - Kupferscheibe 13*18*2
Kupferscheibe
13*18*2,Luftfilter und Öltank, Aldy, Herkules Hurricane 500
Lieferzeit:
12-14 Tage
(Ausland abweichend)
Lagerbestand: 0 Stück
4,15 EUR
Lieferzeit:
12-14 Tage
inkl. 19% MwSt. zzgl.
Versand
In den Warenkorb
Adly
SOLD OUT
Nr.7 - Halterung Luftfilter, hinten l
Halterung Luftfilter, hinten l
, Luftfilter und Öltank, Aldy, Herkules Hurricane 500
Lieferzeit:
12-14 Tage
(Ausland abweichend)
Lagerbestand: 0 Stück
7,95 EUR
Lieferzeit:
12-14 Tage
inkl. 19% MwSt. zzgl.
Versand
In den Warenkorb
Adly
SOLD OUT
Nr.8 - HEX BOLT(TRIANGE)(BLACK ZINC)
HEX BOLT(TRIANGE)(BLACK ZINC)
, Luftfilter und Öltank, Aldy, Herkules Hurricane 500
Lieferzeit:
12-14 Tage
(Ausland abweichend)
Lagerbestand: 0 Stück
2,39 EUR
Lieferzeit:
12-14 Tage
inkl. 19% MwSt. zzgl.
Versand
In den Warenkorb
Adly
SOLD OUT
Nr. 9 - Bolzen 6*12
Bolzen
6*12
, Luftfilter und Öltank, Aldy, Herkules Hurricane 500
Lieferzeit:
12-14 Tage
(Ausland abweichend)
Lagerbestand: 0 Stück
1,55 EUR
Lieferzeit:
12-14 Tage
inkl. 19% MwSt. zzgl.
Versand
In den Warenkorb
Adly
SOLD OUT
Nr.10 - OIL FILTER SCREEN BOLT 1/?
OIL FILTER SCREEN BOLT
1/?
, Luftfilter und Öltank, Aldy, Herkules Hurricane 500
Lieferzeit:
12-14 Tage
(Ausland abweichend)
Lagerbestand: 0 Stück
27,50 EUR
Lieferzeit:
12-14 Tage
inkl. 19% MwSt. zzgl.
Versand
In den Warenkorb
Adly
SOLD OUT
Nr.11 - GROMMET
GROMMET
, Luftfilter und Öltank, Aldy, Herkules Hurricane 500
Lieferzeit:
12-14 Tage
(Ausland abweichend)
Lagerbestand: 0 Stück
2,59 EUR
Lieferzeit:
12-14 Tage
inkl. 19% MwSt. zzgl.
Versand
In den Warenkorb
Adly
SOLD OUT
Nr.12 - Bolzen
Bolzen
, Luftfilter und Öltank, Aldy, Herkules Hurricane 500
Lieferzeit:
12-14 Tage
(Ausland abweichend)
Lagerbestand: 0 Stück
2,05 EUR
Lieferzeit:
12-14 Tage
inkl. 19% MwSt. zzgl.
Versand
In den Warenkorb
Adly
SOLD OUT
Nr.13 - Öltank, kpl
Öltank, kpl
, Luftfilter und Öltank, Aldy, Herkules Hurricane 500
Lieferzeit:
12-14 Tage
(Ausland abweichend)
Lagerbestand: 0 Stück
125,00 EUR
Lieferzeit:
12-14 Tage
inkl. 19% MwSt. zzgl.
Versand
In den Warenkorb
Adly
SOLD OUT
Nr.14 - Bolzen
Bolzen
, Luftfilter und Öltank, Aldy, Herkules Hurricane 500
Lieferzeit:
12-14 Tage
(Ausland abweichend)
Lagerbestand: 0 Stück
1,69 EUR
Lieferzeit:
12-14 Tage
inkl. 19% MwSt. zzgl.
Versand
In den Warenkorb
Adly
SOLD OUT
Nr.15 - Ölleitung, kpl
Ölleitung, kpl
, Luftfilter und Öltank, Aldy, Herkules Hurricane 500
Lieferzeit:
12-14 Tage
(Ausland abweichend)
Lagerbestand: 0 Stück
37,90 EUR
Lieferzeit:
12-14 Tage
inkl. 19% MwSt. zzgl.
Versand
In den Warenkorb
Adly
SOLD OUT
Nr.16 - Ölrücklaufschlauch, kpl
Ölrücklaufschlauch, kpl
, Luftfilter und Öltank, Aldy, Herkules Hurricane 500
Lieferzeit:
12-14 Tage
(Ausland abweichend)
Lagerbestand: 0 Stück
42,90 EUR
Lieferzeit:
12-14 Tage
inkl. 19% MwSt. zzgl.
Versand
In den Warenkorb
Adly
SOLD OUT
Nr.17 - Luftschlauch
Luftschlauch
,
Luftfilter und Öltank, Aldy, Herkules Hurricane 500
Lieferzeit:
12-14 Tage
(Ausland abweichend)
Lagerbestand: 0 Stück
13,90 EUR
Lieferzeit:
12-14 Tage
inkl. 19% MwSt. zzgl.
Versand
In den Warenkorb
Adly
SOLD OUT
Nr.18 - Ölstandsanzeige
Ölstandsanzeige,Luftfilter und Öltank, Aldy, Herkules Hurricane 500
Lieferzeit:
12-14 Tage
(Ausland abweichend)
Lagerbestand: 0 Stück
4,39 EUR
Lieferzeit:
12-14 Tage
inkl. 19% MwSt. zzgl.
Versand
In den Warenkorb
Adly
SOLD OUT
Nr.19 - Ablassschraube magnetisch
Ablassschraube
magnetisch
, Luftfilter und Öltank, Aldy, Herkules Hurricane 500
Lieferzeit:
12-14 Tage
(Ausland abweichend)
Lagerbestand: 0 Stück
12,50 EUR
Lieferzeit:
12-14 Tage
inkl. 19% MwSt. zzgl.
Versand
In den Warenkorb
Adly
SOLD OUT
Nr.20 - Schlauchschelle
Schlauchschelle
, Luftfilter und Öltank, Aldy, Herkules Hurricane 500
Lieferzeit:
12-14 Tage
(Ausland abweichend)
Lagerbestand: 0 Stück
2,39 EUR
Lieferzeit:
12-14 Tage
inkl. 19% MwSt. zzgl.
Versand
In den Warenkorb
Adly
SOLD OUT
Nr.21 - Bolzen
Bolzen
, Luftfilter und Öltank, Aldy, Herkules Hurricane 500
Lieferzeit:
12-14 Tage
(Ausland abweichend)
Lagerbestand: 0 Stück
1,69 EUR
Lieferzeit:
12-14 Tage
inkl. 19% MwSt. zzgl.
Versand
In den Warenkorb
Adly
SOLD OUT
Nr.22 - Klemmfeder 17.8mm
Klemmfeder
17.8mm
,Luftfilter und Öltank, Aldy, Herkules Hurricane 500
Lieferzeit:
12-14 Tage
(Ausland abweichend)
Lagerbestand: 0 Stück
2,29 EUR
Lieferzeit:
12-14 Tage
inkl. 19% MwSt. zzgl.
Versand
In den Warenkorb
Adly
SOLD OUT
Nr.23 - Gummi
Gummi
, Luftfilter und Öltank, Aldy, Herkules Hurricane 500
Lieferzeit:
12-14 Tage
(Ausland abweichend)
Lagerbestand: 0 Stück
3,99 EUR
Lieferzeit:
12-14 Tage
inkl. 19% MwSt. zzgl.
Versand
In den Warenkorb
Adly
SOLD OUT
Nr.24 - Entlüftungsschlauch
Entlüftungsschlauch
, Luftfilter und Öltank, Aldy, Herkules Hurricane 500
Lieferzeit:
12-14 Tage
(Ausland abweichend)
Lagerbestand: 0 Stück
20,50 EUR
Lieferzeit:
12-14 Tage
inkl. 19% MwSt. zzgl.
Versand
In den Warenkorb
Adly
SOLD OUT
Nr.25 - Halterung Luftfilter, vorne re
Halterung Luftfilter, vorne re
, Luftfilter und Öltank, Aldy, Herkules Hurricane 500
Lieferzeit:
12-14 Tage
(Ausland abweichend)
Lagerbestand: 0 Stück
7,95 EUR
Lieferzeit:
12-14 Tage
inkl. 19% MwSt. zzgl.
Versand
In den Warenkorb
Adly
SOLD OUT
Nr.26 - Halterung Luftfilter, vorne li
Halterung Luftfilter, vorne li
, Luftfilter und Öltank, Aldy, Herkules Hurricane 500
Lieferzeit:
12-14 Tage
(Ausland abweichend)
Lagerbestand: 0 Stück
8,05 EUR
Lieferzeit:
12-14 Tage
inkl. 19% MwSt. zzgl.
Versand
In den Warenkorb
Adly
SOLD OUT
Nr.27 - Halterung Luftfilter, hinten l
Halterung Luftfilter, hinten l
, Luftfilter und Öltank, Aldy, Herkules Hurricane 500
Lieferzeit:
12-14 Tage
(Ausland abweichend)
Lagerbestand: 0 Stück
8,35 EUR
Lieferzeit:
12-14 Tage
inkl. 19% MwSt. zzgl.
Versand
In den Warenkorb
Adly
SOLD OUT
Nr.28 - Dichtung, Ölfilter
Dichtung, Ölfilter
,Luftfilter und Öltank, Aldy, Herkules Hurricane 500
Lieferzeit:
12-14 Tage
(Ausland abweichend)
Lagerbestand: 0 Stück
14,50 EUR
Lieferzeit:
12-14 Tage
inkl. 19% MwSt. zzgl.
Versand
In den Warenkorb
Adly
SOLD OUT
Nr.29 - Simmerring 12*19*3.5
Simmerring
12*19*3.5
, Luftfilter und Öltank, Aldy, Herkules Hurricane 500
Lieferzeit:
12-14 Tage
(Ausland abweichend)
Lagerbestand: 0 Stück
6,39 EUR
Lieferzeit:
12-14 Tage
inkl. 19% MwSt. zzgl.
Versand
In den Warenkorb
Adly
SOLD OUT
Nr.30 - Dichtring
Dichtring
, Luftfilter und Öltank, Aldy, Herkules Hurricane 500
Lieferzeit:
12-14 Tage
(Ausland abweichend)
Lagerbestand: 0 Stück
2,59 EUR
Lieferzeit:
12-14 Tage
inkl. 19% MwSt. zzgl.
Versand
In den Warenkorb
Adly
SOLD OUT
Nr.31 - Luftfilter
Luftfilter
, Luftfilter und Öltank, Aldy, Herkules Hurricane 500
Lieferzeit:
12-14 Tage
(Ausland abweichend)
Lagerbestand: 0 Stück
34,90 EUR
Lieferzeit:
12-14 Tage
inkl. 19% MwSt. zzgl.
Versand
In den Warenkorb
Adly
SOLD OUT
Nr.32 - Klammer
Klammer
, Luftfilter und Öltank, Aldy, Herkules Hurricane 500
Lieferzeit:
12-14 Tage
(Ausland abweichend)
Lagerbestand: 0 Stück
6,79 EUR
Lieferzeit:
12-14 Tage
inkl. 19% MwSt. zzgl.
Versand
In den Warenkorb
Adly
Nr.33 - Filterelement
Filterelement
, Luftfilter und Öltank, Aldy, Herkules Hurricane 500
Lieferzeit:
3-5 Tage
(Ausland abweichend)
Lagerbestand: 1 Stück
17,90 EUR
Lieferzeit:
3-5 Tage
inkl. 19% MwSt. zzgl.
Versand
In den Warenkorb
Adly
SOLD OUT
Nr.34 - Filter B
Filter B,Luftfilter und Öltank, Aldy, Herkules Hurricane 500
Lieferzeit:
12-14 Tage
(Ausland abweichend)
Lagerbestand: 0 Stück
4,15 EUR
Lieferzeit:
12-14 Tage
inkl. 19% MwSt. zzgl.
Versand
In den Warenkorb
Adly
SOLD OUT
Nr.35 - O-Ring 16*2,5
O-Ring
16*2,5
, Luftfilter und Öltank, Aldy, Herkules Hurricane 500
Lieferzeit:
12-14 Tage
(Ausland abweichend)
Lagerbestand: 0 Stück
0,49 EUR
Lieferzeit:
12-14 Tage
inkl. 19% MwSt. zzgl.
Versand
In den Warenkorb
Adly
SOLD OUT
Nr.36 - Schlauch
Schlauch
, Luftfilter und Öltank, Aldy, Herkules Hurricane 500
Lieferzeit:
12-14 Tage
(Ausland abweichend)
Lagerbestand: 0 Stück
3,89 EUR
Lieferzeit:
12-14 Tage
inkl. 19% MwSt. zzgl.
Versand
In den Warenkorb
Adly
SOLD OUT
Nr.37 - Sicherheitsmutter
Sicherheitsmutter
, Luftfilter und Öltank, Aldy, Herkules Hurricane 500
Lieferzeit:
12-14 Tage
(Ausland abweichend)
Lagerbestand: 0 Stück
1,55 EUR
Lieferzeit:
12-14 Tage
inkl. 19% MwSt. zzgl.
Versand
In den Warenkorb
Adly
SOLD OUT
Nr.38 - Distanz 6.5*10*19
Distanz
6.5*10*19
, Luftfilter und Öltank, Aldy, Herkules Hurricane 500
Lieferzeit:
12-14 Tage
(Ausland abweichend)
Lagerbestand: 0 Stück
1,99 EUR
Lieferzeit:
12-14 Tage
inkl. 19% MwSt. zzgl.
Versand
In den Warenkorb
Adly
SOLD OUT
Nr.39 - Unterlegscheibe 6*18*2
Unterlegscheibe
6*18*2
, Luftfilter und Öltank, Aldy, Herkules Hurricane 500
Lieferzeit:
12-14 Tage
(Ausland abweichend)
Lagerbestand: 0 Stück
0,79 EUR
Lieferzeit:
12-14 Tage
inkl. 19% MwSt. zzgl.
Versand
In den Warenkorb
Adly
SOLD OUT
Nr.40 - O-Ring
O-Ring
, Luftfilter und Öltank, Aldy, Herkules Hurricane 500
Lieferzeit:
12-14 Tage
(Ausland abweichend)
Lagerbestand: 0 Stück
1,25 EUR
Lieferzeit:
12-14 Tage
inkl. 19% MwSt. zzgl.
Versand
In den Warenkorb
Adly
SOLD OUT
Nr.41 - Haken
Haken
,Luftfilter und Öltank, Aldy, Herkules Hurricane 500
Lieferzeit:
12-14 Tage
(Ausland abweichend)
Lagerbestand: 0 Stück
4,99 EUR
Lieferzeit:
12-14 Tage
inkl. 19% MwSt. zzgl.
Versand
In den Warenkorb
Adly
SOLD OUT
Nr.42 - Klammer
Klammer
, Luftfilter und Öltank, Aldy, Herkules Hurricane 500
Lieferzeit:
12-14 Tage
(Ausland abweichend)
Lagerbestand: 0 Stück
1,79 EUR
Lieferzeit:
12-14 Tage
inkl. 19% MwSt. zzgl.
Versand
In den Warenkorb
FILTER
Sortieren nach
Preis aufsteigend
Preis absteigend
Name aufsteigend
Name absteigend
Einstelldatum aufsteigend
Einstelldatum absteigend
Lieferzeit aufsteigend
Lieferzeit absteigend
Sortieren nach
Sortieren nach
Preis aufsteigend
Preis absteigend
Name aufsteigend
Name absteigend
Einstelldatum aufsteigend
Einstelldatum absteigend
Lieferzeit aufsteigend
Lieferzeit absteigend
100 pro Seite
100 pro Seite
200 pro Seite
300 pro Seite
600 pro Seite
1200 pro Seite
pro Seite
100 pro Seite
200 pro Seite
300 pro Seite
600 pro Seite
1200 pro Seite
1
1
bis
42
(von insgesamt
42
)
{{#title}}
{{title}}
{{/title}}
{{{items.src}}}
{{#showButtons}} {{/showButtons}}
{{#content}}
{{.}}
{{/content}}
Modal form field
{{#content}}
{{{.}}}
{{/content}}