Kundenlogin
Kundenlogin
E-Mail
Passwort
Toggle Password View
Merkzettel
0
Suche
Alle
Alle
Buggys
Quad, ATV, UTV
Zubehör allgemein
Alle
Alle
Buggys
Quad, ATV, UTV
Zubehör allgemein
Suche...
Ihr Warenkorb
0,00 EUR
Sie haben noch keine Artikel in Ihrem Warenkorb.
JavaScript ist in Ihrem Browser deaktiviert. Aktivieren Sie JavaScript, um alle Funktionen des Shops nutzen und alle Inhalte sehen zu können.
Buggys
Buggys anzeigen
PGO
PGO anzeigen
PGO Bugracer 600i
PGO Bugracer 500i
PGO Bugrider 250
PGO Bugrider 250 S
PGO Bugrider 200
PGO Bugrider 150
PGO Bugrider 50
Adly, Herkules
Adly, Herkules anzeigen
Adly, Herkules ATK 125
Aldy Minicar 320
Shark
Shark anzeigen
Shark BCB 300
Xingyue
Xingyue anzeigen
Xingyue, GSMoon 260-2 Buggy
Xingyue XYKD 150
Kinroad
Kinroad anzeigen
Kinroad KR 650
Kinroad GK 1100
Goka Powersports
Joyner, Sand Viper, Baja Bug 650 - 2000cc
Buggys anzeigen
Quad, ATV, UTV
Quad, ATV, UTV anzeigen
Herkules / Adly
Herkules / Adly anzeigen
Adly ATV Conquest 600 4x4
Adly Quad 450 Supermoto
Adly Hurricane 500 S
Adly Hurricane 500 Supermoto
Hurricane 500 Flat
Adly ATV 320 Hurricane
Adly Quad 300
Adly ATV Canyon 320 SE
Adly ATV 150 Sport
Adly Quad ATV 50 LC Supersonic
Adly ATV 50 VG
Adly ATV 50 Supercross LC
Cectek
Cectek anzeigen
Original Ersatzteile
Segway
Quad, ATV, UTV anzeigen
Zubehör allgemein
Zubehör allgemein anzeigen
Motoren
Motoren anzeigen
GY6 125 - 180cc
250ccm CF172mm/A
250ccm CF172mm/B + C
650cc 2-Zyl- Motor Typ 276
800cc 3-Zyl. Motor Typ 368 / F8A
Auspuffanlagen
Elekrik / Zündung
Bremsen
Bremsen anzeigen
Bremsbeläge, Bremsbacken
Bremszylinder
Beleuchtung
Beleuchtung anzeigen
Ellipsoid - Scheinwerfer, Xenon
Scheinwerfer
Rückleuchten
Blinker
Nebelscheinwerfer
Beleuchtung Sonstiges
LED Arbeitsscheinwerfer
Tacho, Drehzahlmesser, Anzeigen,
Tacho, Drehzahlmesser, Anzeigen, anzeigen
Acewell
Shin Yo
Koso
Werkstattbedarf
Werkstattbedarf anzeigen
Werkzeuge und Hilfsmittel
Kabelbinder
Verschiedenes
Zubehör allgemein anzeigen
Weitere
Startseite
»
Quad, ATV, UTV
»
Herkules / Adly
»
Adly Hurricane 500 Supermoto
»
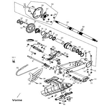
Hinterachse
Aktueller Filter
Hinterachse
Hinterachse, Adly, Herkules Hurricane 500 Supermoto
FILTER
Sortieren nach
Preis aufsteigend
Preis absteigend
Name aufsteigend
Name absteigend
Einstelldatum aufsteigend
Einstelldatum absteigend
Lieferzeit aufsteigend
Lieferzeit absteigend
Sortieren nach
Sortieren nach
Preis aufsteigend
Preis absteigend
Name aufsteigend
Name absteigend
Einstelldatum aufsteigend
Einstelldatum absteigend
Lieferzeit aufsteigend
Lieferzeit absteigend
100 pro Seite
100 pro Seite
200 pro Seite
300 pro Seite
600 pro Seite
1200 pro Seite
pro Seite
100 pro Seite
200 pro Seite
300 pro Seite
600 pro Seite
1200 pro Seite
1
Adly
SOLD OUT
Nr.1 - Stoßdämpfer hinten, Adly 500 Supermoto
Stoßdämpfer hinten,
Hinterachse, Adly, Herkules Hurricane 500 Supermoto
Lieferzeit:
12-14 Tage
(Ausland abweichend)
Lagerbestand: -1 Stück
499,00 EUR
Lieferzeit:
12-14 Tage
inkl. 19% MwSt. zzgl.
Versand
In den Warenkorb
Adly
SOLD OUT
Nr.2 - Schraube M12*80
Schraube M12*80
,Hinterachse, Adly, Herkules Hurricane 500
Lieferzeit:
12-14 Tage
(Ausland abweichend)
Lagerbestand: 0 Stück
9,90 EUR
Lieferzeit:
12-14 Tage
inkl. 19% MwSt. zzgl.
Versand
In den Warenkorb
Adly
SOLD OUT
Nr.3 - Sechskantschraube 10*55
Sechskantschraube
10*55
,Hinterachse, Adly, Herkules Hurricane 500
Lieferzeit:
12-14 Tage
(Ausland abweichend)
Lagerbestand: 0 Stück
6,65 EUR
Lieferzeit:
12-14 Tage
inkl. 19% MwSt. zzgl.
Versand
In den Warenkorb
Adly
SOLD OUT
Nr.4 - Sicherungsbundmutter M12
Sicherungsbundmutter
M12
, Hinterachse, Adly, Herkules Hurricane 500
Lieferzeit:
12-14 Tage
(Ausland abweichend)
Lagerbestand: 0 Stück
2,99 EUR
Lieferzeit:
12-14 Tage
inkl. 19% MwSt. zzgl.
Versand
In den Warenkorb
Adly
SOLD OUT
Nr.5 - Schmiernippel Kappe 6mm
Schmiernippel Kappe
6mm
, Hinterachse, Adly, Herkules Hurricane 500
Lieferzeit:
12-14 Tage
(Ausland abweichend)
Lagerbestand: 0 Stück
0,75 EUR
Lieferzeit:
12-14 Tage
inkl. 19% MwSt. zzgl.
Versand
In den Warenkorb
Adly
SOLD OUT
Nr.6 - Bolzen - Schwinge
Bolzen - Schwinge
, Hinterachse, Adly, Herkules Hurricane 500
Lieferzeit:
12-14 Tage
(Ausland abweichend)
Lagerbestand: -1 Stück
75,00 EUR
Lieferzeit:
12-14 Tage
inkl. 19% MwSt. zzgl.
Versand
In den Warenkorb
Adly
SOLD OUT
Nr.7 - Dichtung
Dichtung
, Hinterachse, Adly, Herkules Hurricane 500
Lieferzeit:
12-14 Tage
(Ausland abweichend)
Lagerbestand: 0 Stück
3,49 EUR
Lieferzeit:
12-14 Tage
inkl. 19% MwSt. zzgl.
Versand
In den Warenkorb
Adly
SOLD OUT
Nr.8 - Buchse
Buchse
, Hinterachse, Adly, Herkules Hurricane 500
Lieferzeit:
12-14 Tage
(Ausland abweichend)
Lagerbestand: 0 Stück
8,29 EUR
Lieferzeit:
12-14 Tage
inkl. 19% MwSt. zzgl.
Versand
In den Warenkorb
Adly
SOLD OUT
Nr.9 - Umlenkhebel für Stoßdämpfer
Umlenkhebel für Stoßdämpfer
, Hinterachse, Adly, Herkules Hurricane 500
Lieferzeit:
12-14 Tage
(Ausland abweichend)
Lagerbestand: 0 Stück
129,00 EUR
Lieferzeit:
12-14 Tage
inkl. 19% MwSt. zzgl.
Versand
In den Warenkorb
Adly
SOLD OUT
Nr.10 - Mutter
Mutter
, Hinterachse, Adly, Herkules Hurricane 500
Lieferzeit:
12-14 Tage
(Ausland abweichend)
Lagerbestand: 0 Stück
7,89 EUR
Lieferzeit:
12-14 Tage
inkl. 19% MwSt. zzgl.
Versand
In den Warenkorb
Adly
SOLD OUT
Nr.11 - Gleitschuh
Gleitschuh,
Hinterachse, Adly, Herkules Hurricane 500
Lieferzeit:
12-14 Tage
(Ausland abweichend)
Lagerbestand: -1 Stück
17,90 EUR
Lieferzeit:
12-14 Tage
inkl. 19% MwSt. zzgl.
Versand
In den Warenkorb
Adly
SOLD OUT
Nr.12 - Unterlegscheibe 10*22*2.5
Unterlegscheibe
10*22*2.5
, Hinterachse, Adly, Herkules Hurricane 500
Lieferzeit:
12-14 Tage
(Ausland abweichend)
Lagerbestand: 0 Stück
3,19 EUR
Lieferzeit:
12-14 Tage
inkl. 19% MwSt. zzgl.
Versand
In den Warenkorb
Adly
SOLD OUT
Nr.13 - Bolzen 6*20
Bolzen
6*20
, Hinterachse, Adly, Herkules Hurricane 500
Lieferzeit:
12-14 Tage
(Ausland abweichend)
Lagerbestand: 0 Stück
2,69 EUR
Lieferzeit:
12-14 Tage
inkl. 19% MwSt. zzgl.
Versand
In den Warenkorb
Adly
SOLD OUT
Nr.14 - Sechskantmutter M38*15*P1.5
Sechskantmutter
M38*15*P1.5
, Hinterachse, Adly, Herkules Hurricane 500
Lieferzeit:
12-14 Tage
(Ausland abweichend)
Lagerbestand: 0 Stück
28,50 EUR
Lieferzeit:
12-14 Tage
inkl. 19% MwSt. zzgl.
Versand
In den Warenkorb
Adly
SOLD OUT
Nr.15 - Senkkopfschraube M8*18
Senkkopfschraube
M8*18
, Hinterachse, Adly, Herkules Hurricane 500
Lieferzeit:
12-14 Tage
(Ausland abweichend)
Lagerbestand: 0 Stück
3,95 EUR
Lieferzeit:
12-14 Tage
inkl. 19% MwSt. zzgl.
Versand
In den Warenkorb
Adly
SOLD OUT
Nr.16 - Bremsscheibe hinten, Adly 500 Supermoto
Bremsscheibe hinten
, Hinterachse, Adly, Herkules Hurricane 500 Supermoto
Lieferzeit:
12-14 Tage
(Ausland abweichend)
Lagerbestand: 0 Stück
89,00 EUR
Lieferzeit:
12-14 Tage
inkl. 19% MwSt. zzgl.
Versand
In den Warenkorb
Adly
SOLD OUT
Nr.17 - Bremsscheibenaufnahme Hinten
Bremsscheibenaufnahme Hinten
, Hinterachse, Adly, Herkules Hurricane 500
Lieferzeit:
12-14 Tage
(Ausland abweichend)
Lagerbestand: 0 Stück
53,50 EUR
Lieferzeit:
12-14 Tage
inkl. 19% MwSt. zzgl.
Versand
In den Warenkorb
Adly
SOLD OUT
Nr.18 - O-Ring
O-Ring
, Hinterachse, Adly, Herkules Hurricane 500
Lieferzeit:
12-14 Tage
(Ausland abweichend)
Lagerbestand: 0 Stück
3,19 EUR
Lieferzeit:
12-14 Tage
inkl. 19% MwSt. zzgl.
Versand
In den Warenkorb
Adly
SOLD OUT
Nr.19 - Sicherungsring Ø70
Sicherungsring Ø70
, Hinterachse, Adly, Herkules Hurricane 500
Lieferzeit:
12-14 Tage
(Ausland abweichend)
Lagerbestand: 0 Stück
13,50 EUR
Lieferzeit:
12-14 Tage
inkl. 19% MwSt. zzgl.
Versand
In den Warenkorb
Adly
SOLD OUT
Nr.20 - Achsaufnahme
Achsaufnahme
, Hinterachse, Adly, Herkules Hurricane 500
Lieferzeit:
12-14 Tage
(Ausland abweichend)
Lagerbestand: 0 Stück
50,50 EUR
Lieferzeit:
12-14 Tage
inkl. 19% MwSt. zzgl.
Versand
In den Warenkorb
Adly
SOLD OUT
Nr.21 - Simmerring 52*62*7/9
Simmerring
52*62*7/9
, Hinterachse, Adly, Herkules Hurricane 500
Lieferzeit:
12-14 Tage
(Ausland abweichend)
Lagerbestand: 0 Stück
6,65 EUR
Lieferzeit:
12-14 Tage
inkl. 19% MwSt. zzgl.
Versand
In den Warenkorb
Adly
SOLD OUT
Nr.22 - Lager
Lager,
Hinterachse, Adly, Herkules Hurricane 500
Lieferzeit:
12-14 Tage
(Ausland abweichend)
Lagerbestand: 0 Stück
46,50 EUR
Lieferzeit:
12-14 Tage
inkl. 19% MwSt. zzgl.
Versand
In den Warenkorb
Adly
SOLD OUT
Nr.23 - Buchse
Buchse
, Hinterachse, Adly, Herkules Hurricane 500
Lieferzeit:
12-14 Tage
(Ausland abweichend)
Lagerbestand: 0 Stück
25,50 EUR
Lieferzeit:
12-14 Tage
inkl. 19% MwSt. zzgl.
Versand
In den Warenkorb
Adly
SOLD OUT
Nr.24 - Kipphebel
Kipphebel,
Hinterachse, Adly, Herkules Hurricane 500
Lieferzeit:
12-14 Tage
(Ausland abweichend)
Lagerbestand: 0 Stück
35,50 EUR
Lieferzeit:
12-14 Tage
inkl. 19% MwSt. zzgl.
Versand
In den Warenkorb
Adly
SOLD OUT
Nr.25 - Senkkopfschraube grün verz. M10*30
Senkkopfschraube grün verz. M10*30,Hinterachse, Adly, Herkules Hurricane 500
Lieferzeit:
12-14 Tage
(Ausland abweichend)
Lagerbestand: 0 Stück
5,15 EUR
Lieferzeit:
12-14 Tage
inkl. 19% MwSt. zzgl.
Versand
In den Warenkorb
Adly
SOLD OUT
Nr.26 - Antriebsrad 38T
Antriebsrad
38T
, Hinterachse, Adly, Herkules Hurricane 500
Lieferzeit:
12-14 Tage
(Ausland abweichend)
Lagerbestand: -1 Stück
38,90 EUR
Lieferzeit:
12-14 Tage
inkl. 19% MwSt. zzgl.
Versand
In den Warenkorb
Adly
SOLD OUT
Nr.27 - Kettenradflansch Für Kettenrad 36 Zähne
Kettenradflansch Für Kettenrad 36 Zähne,Hinterachse, Adly, Herkules Hurricane 500
Lieferzeit:
12-14 Tage
(Ausland abweichend)
Lagerbestand: 0 Stück
68,90 EUR
Lieferzeit:
12-14 Tage
inkl. 19% MwSt. zzgl.
Versand
In den Warenkorb
Adly
SOLD OUT
Nr.28 - Mutter
Mutter,
Hinterachse, Adly, Herkules Hurricane 500
Lieferzeit:
12-14 Tage
(Ausland abweichend)
Lagerbestand: 0 Stück
2,19 EUR
Lieferzeit:
12-14 Tage
inkl. 19% MwSt. zzgl.
Versand
In den Warenkorb
Adly
SOLD OUT
Nr.29 - Sicherungsring
Sicherungsring
, Hinterachse, Adly, Herkules Hurricane 500
Lieferzeit:
12-14 Tage
(Ausland abweichend)
Lagerbestand: 0 Stück
3,49 EUR
Lieferzeit:
12-14 Tage
inkl. 19% MwSt. zzgl.
Versand
In den Warenkorb
Adly
SOLD OUT
Nr.30 - Schraube auch für Nerf Bars 8*16
Schraube
auch für Nerf Bars 8*16,
Hinterachse, Adly, Herkules Hurricane 500
Lieferzeit:
12-14 Tage
(Ausland abweichend)
Lagerbestand: 0 Stück
2,99 EUR
Lieferzeit:
12-14 Tage
inkl. 19% MwSt. zzgl.
Versand
In den Warenkorb
Adly
SOLD OUT
Nr.31 - Dichtung
Dichtung,
Hinterachse, Adly, Herkules Hurricane 500
Lieferzeit:
12-14 Tage
(Ausland abweichend)
Lagerbestand: -1 Stück
14,50 EUR
Lieferzeit:
12-14 Tage
inkl. 19% MwSt. zzgl.
Versand
In den Warenkorb
Adly
SOLD OUT
Nr.32 - Antriebskette 520*90, Adly 500 Supermoto
Antriebskette 520*90 , Hinterachse, Adly, Herkules Hurricane 500
Lieferzeit:
12-14 Tage
(Ausland abweichend)
Lagerbestand: 0 Stück
149,00 EUR
Lieferzeit:
12-14 Tage
inkl. 19% MwSt. zzgl.
Versand
In den Warenkorb
Adly
SOLD OUT
Nr.32.1 - Kettenschloß 520, Adly 500 Supermoto
Kettenschloß 520, Adly 500 Supermoto
Lieferzeit:
12-14 Tage
(Ausland abweichend)
Lagerbestand: 0 Stück
12,52 EUR
Lieferzeit:
12-14 Tage
inkl. 19% MwSt. zzgl.
Versand
In den Warenkorb
Adly
SOLD OUT
Nr.33 - Buchse
Buchse
, Hinterachse, Adly, Herkules Hurricane 500
Lieferzeit:
12-14 Tage
(Ausland abweichend)
Lagerbestand: 0 Stück
22,50 EUR
Lieferzeit:
12-14 Tage
inkl. 19% MwSt. zzgl.
Versand
In den Warenkorb
Adly
SOLD OUT
Nr.34 - Simmerring 25*32*5
Simmerring
25*32*5
, Hinterachse, Adly, Herkules Hurricane 500
Lieferzeit:
12-14 Tage
(Ausland abweichend)
Lagerbestand: 0 Stück
6,29 EUR
Lieferzeit:
12-14 Tage
inkl. 19% MwSt. zzgl.
Versand
In den Warenkorb
Adly
SOLD OUT
Nr.35 - Sechskantschraube M10*70
Sechskantschraube
M10*70
, Hinterachse, Adly, Herkules Hurricane 500
Lieferzeit:
12-14 Tage
(Ausland abweichend)
Lagerbestand: 0 Stück
7,45 EUR
Lieferzeit:
12-14 Tage
inkl. 19% MwSt. zzgl.
Versand
In den Warenkorb
Adly
SOLD OUT
Nr.36 - Kettenschutz
Kettenschutz
, Hinterachse, Adly, Herkules Hurricane 500
Lieferzeit:
12-14 Tage
(Ausland abweichend)
Lagerbestand: -1 Stück
52,50 EUR
Lieferzeit:
12-14 Tage
inkl. 19% MwSt. zzgl.
Versand
In den Warenkorb
Adly
SOLD OUT
Nr.37 - Kettenschutz, vorne
Kettenschutz, vorne,
Hinterachse, Adly, Herkules Hurricane 500
Lieferzeit:
12-14 Tage
(Ausland abweichend)
Lagerbestand: 0 Stück
19,90 EUR
Lieferzeit:
12-14 Tage
inkl. 19% MwSt. zzgl.
Versand
In den Warenkorb
Adly
SOLD OUT
Nr.38 - Sechskantschraube 6*45
Sechskantschraube
6*45
, Hinterachse, Adly, Herkules Hurricane 500
Lieferzeit:
12-14 Tage
(Ausland abweichend)
Lagerbestand: 0 Stück
1,95 EUR
Lieferzeit:
12-14 Tage
inkl. 19% MwSt. zzgl.
Versand
In den Warenkorb
Adly
SOLD OUT
Nr.39 - HEX FLANGE BOLT(GREEN ZINC)
HEX FLANGE BOLT(GREEN ZINC)
, Hinterachse, Adly, Herkules Hurricane 500
Lieferzeit:
12-14 Tage
(Ausland abweichend)
Lagerbestand: 0 Stück
7,89 EUR
Lieferzeit:
12-14 Tage
inkl. 19% MwSt. zzgl.
Versand
In den Warenkorb
Adly
SOLD OUT
Nr.41 - Scheibe 15*29*3
Scheibe
15*29*3,
Hinterachse, Adly, Herkules Hurricane 500
Lieferzeit:
12-14 Tage
(Ausland abweichend)
Lagerbestand: 0 Stück
5,55 EUR
Lieferzeit:
12-14 Tage
inkl. 19% MwSt. zzgl.
Versand
In den Warenkorb
Adly
SOLD OUT
Nr.42 - Sicherungsmutter Auch für Gepäckträger
Sicherungsmutter
Auch für Gepäckträger,
Hinterachse, Adly, Herkules Hurricane 500
Lieferzeit:
12-14 Tage
(Ausland abweichend)
Lagerbestand: 0 Stück
4,15 EUR
Lieferzeit:
12-14 Tage
inkl. 19% MwSt. zzgl.
Versand
In den Warenkorb
Adly
SOLD OUT
Nr.43 - Hinterachsaufnahme
Hinterachsaufnahme
, Hinterachse, Adly, Herkules Hurricane 500
Lieferzeit:
12-14 Tage
(Ausland abweichend)
Lagerbestand: 0 Stück
129,00 EUR
Lieferzeit:
12-14 Tage
inkl. 19% MwSt. zzgl.
Versand
In den Warenkorb
Adly
SOLD OUT
Nr.44 - Simmerring 20*26*5
Simmerring
20*26*5
, Hinterachse, Adly, Herkules Hurricane 500
Lieferzeit:
12-14 Tage
(Ausland abweichend)
Lagerbestand: 0 Stück
7,89 EUR
Lieferzeit:
12-14 Tage
inkl. 19% MwSt. zzgl.
Versand
In den Warenkorb
Adly
SOLD OUT
Nr.45 - Buchse 10.2*20*34
Buchse
10.2*20*34,
Hinterachse, Adly, Herkules Hurricane 500
Lieferzeit:
12-14 Tage
(Ausland abweichend)
Lagerbestand: 0 Stück
8,50 EUR
Lieferzeit:
12-14 Tage
inkl. 19% MwSt. zzgl.
Versand
In den Warenkorb
Adly
SOLD OUT
Nr.46 - Nadellager 20*26*20
Nadellager
20*26*20
, Hinterachse, Adly, Herkules Hurricane 500
Lieferzeit:
12-14 Tage
(Ausland abweichend)
Lagerbestand: 0 Stück
20,90 EUR
Lieferzeit:
12-14 Tage
inkl. 19% MwSt. zzgl.
Versand
In den Warenkorb
Adly
SOLD OUT
Nr.47 - Nadellager BK 25*32*26
Nadellager
BK 25*32*26
, Hinterachse, Adly, Herkules Hurricane 500
Lieferzeit:
12-14 Tage
(Ausland abweichend)
Lagerbestand: 0 Stück
26,90 EUR
Lieferzeit:
12-14 Tage
inkl. 19% MwSt. zzgl.
Versand
In den Warenkorb
Adly
SOLD OUT
Nr.48 - Sicherheitsmutter
Sicherheitsmutter
, Hinterachse, Adly, Herkules Hurricane 500
Lieferzeit:
12-14 Tage
(Ausland abweichend)
Lagerbestand: 0 Stück
2,19 EUR
Lieferzeit:
12-14 Tage
inkl. 19% MwSt. zzgl.
Versand
In den Warenkorb
Adly
SOLD OUT
Nr.49 - Buchse
Buchse,
Hinterachse, Adly, Herkules Hurricane 500
Lieferzeit:
12-14 Tage
(Ausland abweichend)
Lagerbestand: 0 Stück
23,90 EUR
Lieferzeit:
12-14 Tage
inkl. 19% MwSt. zzgl.
Versand
In den Warenkorb
Adly
SOLD OUT
Nr.50 - Federscheibe 10*17*2.5
Federscheibe
10*17*2.5,
Hinterachse, Adly, Herkules Hurricane 500
Lieferzeit:
12-14 Tage
(Ausland abweichend)
Lagerbestand: 0 Stück
1,55 EUR
Lieferzeit:
12-14 Tage
inkl. 19% MwSt. zzgl.
Versand
In den Warenkorb
Adly
SOLD OUT
Nr.51 - Schmiernippel 6mm X 5
Schmiernippel
6mm X 5
, Hinterachse, Adly, Herkules Hurricane 500
Lieferzeit:
12-14 Tage
(Ausland abweichend)
Lagerbestand: 0 Stück
1,45 EUR
Lieferzeit:
12-14 Tage
inkl. 19% MwSt. zzgl.
Versand
In den Warenkorb
Adly
SOLD OUT
Nr.52 - Schlauchschelle
Schlauchschelle
, Hinterachse, Adly, Herkules Hurricane 500
Lieferzeit:
12-14 Tage
(Ausland abweichend)
Lagerbestand: 0 Stück
5,55 EUR
Lieferzeit:
12-14 Tage
inkl. 19% MwSt. zzgl.
Versand
In den Warenkorb
Adly
SOLD OUT
Nr.53 - Kettenführung
Kettenführung,
Hinterachse, Adly, Herkules Hurricane 500
Lieferzeit:
12-14 Tage
(Ausland abweichend)
Lagerbestand: 0 Stück
25,50 EUR
Lieferzeit:
12-14 Tage
inkl. 19% MwSt. zzgl.
Versand
In den Warenkorb
Adly
SOLD OUT
Nr.54 - Bolzen 6*15
Bolzen
6*15,
Hinterachse, Adly, Herkules Hurricane 500
Lieferzeit:
12-14 Tage
(Ausland abweichend)
Lagerbestand: 0 Stück
2,99 EUR
Lieferzeit:
12-14 Tage
inkl. 19% MwSt. zzgl.
Versand
In den Warenkorb
Adly
SOLD OUT
Nr.55 - Unterlegscheibe 6*18*2
Unterlegscheibe
6*18*2,
Hinterachse, Adly, Herkules Hurricane 500
Lieferzeit:
12-14 Tage
(Ausland abweichend)
Lagerbestand: 0 Stück
1,95 EUR
Lieferzeit:
12-14 Tage
inkl. 19% MwSt. zzgl.
Versand
In den Warenkorb
Adly
SOLD OUT
Nr.56 - Scheibe 8*39
Scheibe
8*39,
Hinterachse, Adly, Herkules Hurricane 500
Lieferzeit:
12-14 Tage
(Ausland abweichend)
Lagerbestand: 0 Stück
3,79 EUR
Lieferzeit:
12-14 Tage
inkl. 19% MwSt. zzgl.
Versand
In den Warenkorb
Adly
SOLD OUT
Nr.57 - Scheibe 12*25*5
Scheibe
12*25*5,
Hinterachse, Adly, Herkules Hurricane 500
Lieferzeit:
12-14 Tage
(Ausland abweichend)
Lagerbestand: 0 Stück
2,99 EUR
Lieferzeit:
12-14 Tage
inkl. 19% MwSt. zzgl.
Versand
In den Warenkorb
Adly
SOLD OUT
Nr.58 - Mutter M10
Mutter M10
Lieferzeit:
12-14 Tage
(Ausland abweichend)
Lagerbestand: 0 Stück
1,90 EUR
Lieferzeit:
12-14 Tage
inkl. 19% MwSt. zzgl.
Versand
In den Warenkorb
Adly
SOLD OUT
Nr.59 - Sicherungsbundmutter M10*P1.5
Sicherungsbundmutter M10*P1.5
Lieferzeit:
12-14 Tage
(Ausland abweichend)
Lagerbestand: 0 Stück
3,20 EUR
Lieferzeit:
12-14 Tage
inkl. 19% MwSt. zzgl.
Versand
In den Warenkorb
FILTER
Sortieren nach
Preis aufsteigend
Preis absteigend
Name aufsteigend
Name absteigend
Einstelldatum aufsteigend
Einstelldatum absteigend
Lieferzeit aufsteigend
Lieferzeit absteigend
Sortieren nach
Sortieren nach
Preis aufsteigend
Preis absteigend
Name aufsteigend
Name absteigend
Einstelldatum aufsteigend
Einstelldatum absteigend
Lieferzeit aufsteigend
Lieferzeit absteigend
100 pro Seite
100 pro Seite
200 pro Seite
300 pro Seite
600 pro Seite
1200 pro Seite
pro Seite
100 pro Seite
200 pro Seite
300 pro Seite
600 pro Seite
1200 pro Seite
1
1
bis
59
(von insgesamt
59
)
{{#title}}
{{title}}
{{/title}}
{{{items.src}}}
{{#showButtons}} {{/showButtons}}
{{#content}}
{{.}}
{{/content}}
Modal form field
{{#content}}
{{{.}}}
{{/content}}