Kundenlogin
Kundenlogin
E-Mail
Passwort
Toggle Password View
Merkzettel
0
Suche
Alle
Alle
Buggys
Quad, ATV, UTV
Zubehör allgemein
Alle
Alle
Buggys
Quad, ATV, UTV
Zubehör allgemein
Suche...
Ihr Warenkorb
0,00 EUR
Sie haben noch keine Artikel in Ihrem Warenkorb.
JavaScript ist in Ihrem Browser deaktiviert. Aktivieren Sie JavaScript, um alle Funktionen des Shops nutzen und alle Inhalte sehen zu können.
Buggys
Buggys anzeigen
PGO
PGO anzeigen
PGO Bugracer 600i
PGO Bugracer 500i
PGO Bugrider 250
PGO Bugrider 250 S
PGO Bugrider 200
PGO Bugrider 150
PGO Bugrider 50
Adly, Herkules
Adly, Herkules anzeigen
Adly, Herkules ATK 125
Aldy Minicar 320
Shark
Shark anzeigen
Shark BCB 300
Xingyue
Xingyue anzeigen
Xingyue, GSMoon 260-2 Buggy
Xingyue XYKD 150
Kinroad
Kinroad anzeigen
Kinroad KR 650
Kinroad GK 1100
Goka Powersports
Joyner, Sand Viper, Baja Bug 650 - 2000cc
Buggys anzeigen
Quad, ATV, UTV
Quad, ATV, UTV anzeigen
Herkules / Adly
Herkules / Adly anzeigen
Adly ATV Conquest 600 4x4
Adly Quad 450 Supermoto
Adly Hurricane 500 S
Adly Hurricane 500 Supermoto
Hurricane 500 Flat
Adly ATV 320 Hurricane
Adly Quad 300
Adly ATV Canyon 320 SE
Adly ATV 150 Sport
Adly Quad ATV 50 LC Supersonic
Adly ATV 50 VG
Adly ATV 50 Supercross LC
Cectek
Cectek anzeigen
Original Ersatzteile
Segway
Quad, ATV, UTV anzeigen
Zubehör allgemein
Zubehör allgemein anzeigen
Motoren
Motoren anzeigen
GY6 125 - 180cc
250ccm CF172mm/A
250ccm CF172mm/B + C
650cc 2-Zyl- Motor Typ 276
800cc 3-Zyl. Motor Typ 368 / F8A
Auspuffanlagen
Elekrik / Zündung
Bremsen
Bremsen anzeigen
Bremsbeläge, Bremsbacken
Bremszylinder
Beleuchtung
Beleuchtung anzeigen
Ellipsoid - Scheinwerfer, Xenon
Scheinwerfer
Rückleuchten
Blinker
Nebelscheinwerfer
Beleuchtung Sonstiges
LED Arbeitsscheinwerfer
Tacho, Drehzahlmesser, Anzeigen,
Tacho, Drehzahlmesser, Anzeigen, anzeigen
Acewell
Shin Yo
Koso
Werkstattbedarf
Werkstattbedarf anzeigen
Werkzeuge und Hilfsmittel
Kabelbinder
Verschiedenes
Zubehör allgemein anzeigen
Weitere
Startseite
»
Quad, ATV, UTV
»
Herkules / Adly
»
Adly ATV 150 Sport
»
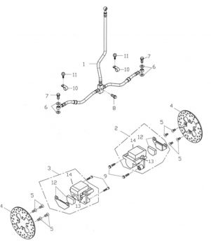
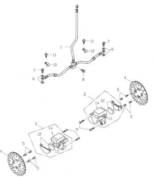
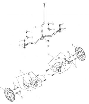
Vorderradbremse
Aktueller Filter
Vorderradbremse
Vorderradbremse, Herkules, Adly, ATV 150 Sport, Quad
FILTER
Sortieren nach
Preis aufsteigend
Preis absteigend
Name aufsteigend
Name absteigend
Einstelldatum aufsteigend
Einstelldatum absteigend
Lieferzeit aufsteigend
Lieferzeit absteigend
Sortieren nach
Sortieren nach
Preis aufsteigend
Preis absteigend
Name aufsteigend
Name absteigend
Einstelldatum aufsteigend
Einstelldatum absteigend
Lieferzeit aufsteigend
Lieferzeit absteigend
100 pro Seite
100 pro Seite
200 pro Seite
300 pro Seite
600 pro Seite
1200 pro Seite
pro Seite
100 pro Seite
200 pro Seite
300 pro Seite
600 pro Seite
1200 pro Seite
1
Adly
SOLD OUT
Nr.1 - Bremsleitung ATV vorne
Bremsleitung ATV vorne,Vorderradbremse, Herkules, Adly, ATV 150 Sport, Quad
Lieferzeit:
12-14 Tage
(Ausland abweichend)
Lagerbestand: 0 Stück
115,00 EUR
Lieferzeit:
12-14 Tage
inkl. 19% MwSt. zzgl.
Versand
In den Warenkorb
Adly
SOLD OUT
Nr.2 - Bremssattel Vorne Rechts
Bremssattel Vorne Rechts,Vorderradbremse, Herkules, Adly, ATV 150 Sport, Quad
Lieferzeit:
12-14 Tage
(Ausland abweichend)
Lagerbestand: 0 Stück
135,00 EUR
Lieferzeit:
12-14 Tage
inkl. 19% MwSt. zzgl.
Versand
In den Warenkorb
Adly
SOLD OUT
Nr.3 - Bremssattel Vorne Links
Bremssattel Vorne Links,Vorderradbremse, Herkules, Adly, ATV 150 Sport, Quad
Lieferzeit:
12-14 Tage
(Ausland abweichend)
Lagerbestand: 0 Stück
135,00 EUR
Lieferzeit:
12-14 Tage
inkl. 19% MwSt. zzgl.
Versand
In den Warenkorb
Adly
SOLD OUT
Nr.4 - Bremsscheibe 164mm
Bremsscheibe 164mm,Vorderradbremse, Herkules, Adly, ATV 150 Sport, Quad
Lieferzeit:
12-14 Tage
(Ausland abweichend)
Lagerbestand: 0 Stück
89,00 EUR
Lieferzeit:
12-14 Tage
inkl. 19% MwSt. zzgl.
Versand
In den Warenkorb
Adly
SOLD OUT
Nr.5 - Senkkopfschraube M8*18
Senkkopfschraube M8*18,Vorderradbremse, Herkules, Adly, ATV 150 Sport, Quad
Lieferzeit:
12-14 Tage
(Ausland abweichend)
Lagerbestand: 0 Stück
3,75 EUR
Lieferzeit:
12-14 Tage
inkl. 19% MwSt. zzgl.
Versand
In den Warenkorb
Adly
Nr.6 - Kupferdichtring
Kupferdichtring,Vorderradbremse, Herkules, Adly, ATV 150 Sport, Quad
Lieferzeit:
3-5 Tage
(Ausland abweichend)
Lagerbestand: 20 Stück
2,29 EUR
Lieferzeit:
3-5 Tage
inkl. 19% MwSt. zzgl.
Versand
In den Warenkorb
Adly
Nr.7 - Hohlschraube
Hohlschraube,Vorderradbremse, Herkules, Adly, ATV 150 Sport, Quad
Lieferzeit:
3-5 Tage
(Ausland abweichend)
Lagerbestand: 10 Stück
3,29 EUR
Lieferzeit:
3-5 Tage
inkl. 19% MwSt. zzgl.
Versand
In den Warenkorb
Adly
SOLD OUT
Nr.8 - Bolzen
Bolzen,Vorderradbremse, Herkules, Adly, ATV 150 Sport, Quad
Lieferzeit:
12-14 Tage
(Ausland abweichend)
Lagerbestand: 0 Stück
2,59 EUR
Lieferzeit:
12-14 Tage
inkl. 19% MwSt. zzgl.
Versand
In den Warenkorb
Adly
SOLD OUT
Nr.9 - Bolzen
Bolzen,Vorderradbremse, Herkules, Adly, ATV 150 Sport, Quad
Lieferzeit:
12-14 Tage
(Ausland abweichend)
Lagerbestand: 0 Stück
3,25 EUR
Lieferzeit:
12-14 Tage
inkl. 19% MwSt. zzgl.
Versand
In den Warenkorb
Adly
SOLD OUT
Nr.10 - Bremsschlauchhalter
Bremsschlauchhalter,Vorderradbremse, Herkules, Adly, ATV 150 Sport, Quad
Lieferzeit:
12-14 Tage
(Ausland abweichend)
Lagerbestand: 0 Stück
4,55 EUR
Lieferzeit:
12-14 Tage
inkl. 19% MwSt. zzgl.
Versand
In den Warenkorb
Adly
SOLD OUT
Nr.11 - Bolzen
Bolzen,Vorderradbremse, Herkules, Adly, ATV 150 Sport, Quad
Lieferzeit:
12-14 Tage
(Ausland abweichend)
Lagerbestand: 0 Stück
2,09 EUR
Lieferzeit:
12-14 Tage
inkl. 19% MwSt. zzgl.
Versand
In den Warenkorb
Adly
SOLD OUT
Nr.12 - Bremsbeläge 2x erford. ATV vorn
Bremsbeläge 2x erford. ATV vorn,Vorderradbremse, Herkules, Adly, ATV 150 Sport, Quad
Lieferzeit:
12-14 Tage
(Ausland abweichend)
Lagerbestand: -3 Stück
30,90 EUR
Lieferzeit:
12-14 Tage
inkl. 19% MwSt. zzgl.
Versand
In den Warenkorb
Adly
SOLD OUT
Nr.13 - Gummimanschette für Bremszange Oben
Gummimanschette für Bremszange Oben,Vorderradbremse, Herkules, Adly, ATV 150 Sport, Quad
Lieferzeit:
12-14 Tage
(Ausland abweichend)
Lagerbestand: 0 Stück
2,75 EUR
Lieferzeit:
12-14 Tage
inkl. 19% MwSt. zzgl.
Versand
In den Warenkorb
Adly
SOLD OUT
Nr.14 - Gummimanschette für Bremszange Unten
Gummimanschette für Bremszange Unten ,Vorderradbremse, Herkules, Adly, ATV 150 Sport, Quad
Lieferzeit:
12-14 Tage
(Ausland abweichend)
Lagerbestand: 0 Stück
3,29 EUR
Lieferzeit:
12-14 Tage
inkl. 19% MwSt. zzgl.
Versand
In den Warenkorb
FILTER
Sortieren nach
Preis aufsteigend
Preis absteigend
Name aufsteigend
Name absteigend
Einstelldatum aufsteigend
Einstelldatum absteigend
Lieferzeit aufsteigend
Lieferzeit absteigend
Sortieren nach
Sortieren nach
Preis aufsteigend
Preis absteigend
Name aufsteigend
Name absteigend
Einstelldatum aufsteigend
Einstelldatum absteigend
Lieferzeit aufsteigend
Lieferzeit absteigend
100 pro Seite
100 pro Seite
200 pro Seite
300 pro Seite
600 pro Seite
1200 pro Seite
pro Seite
100 pro Seite
200 pro Seite
300 pro Seite
600 pro Seite
1200 pro Seite
1
1
bis
14
(von insgesamt
14
)
{{#title}}
{{title}}
{{/title}}
{{{items.src}}}
{{#showButtons}} {{/showButtons}}
{{#content}}
{{.}}
{{/content}}
Modal form field
{{#content}}
{{{.}}}
{{/content}}